If You are using a separate receive antennas then you need a good protection circuit to eliminate the possibility of blowing out Your receiver's front-end while using these auxiliary receive antennas specially on low bands.
The protective circuit should be designed to disconnect the receive antenna during transmit, ground the receiver input when transmitting thus keeping RF out of your radio and eliminating the chance of blowing your radio's front end.
The perfect solution designed years ago Gary, KD9SV and I am using this genuine design in the alu-box for years without any problems.
Now I need more of these circuits because of more radios is planned in the ham-shack (SO2R etc.) and also the contest team OK5T need to improve the low bands setup...
Thanks to Martin's (OK1RR) work I was able to use his slightly redesigned Front-end Saver based on KD9SV design using his PCB layout.
Very well designed PCB with one-side bus wiring is easy to assemble and it will work for the first shot if you will not make the mistake...
Steel painted box from local electronics shop is used in order to save building time and it does not look so bad.
Update 17July2017
There is not necessary to use the 2N2222A in metal TO-18 package! It is possible to use plastic TO-92 package as the most of parameters are same and there is not impact for that application. Most important is to identify the correct pin-out of your device!
There is several manufacturers producing several different versions like 2N2222A, P2N2222A, PN2222A etc. and the pin-out is NOT the same or standardized!
Check carefully your purchased version of transistors and identify the correct pin-out before you will assembly in order to avoid FES malfunction!
On picture above is an example of correct orientation of KSP2222A-E19 transistors TO-92 package on PCB...
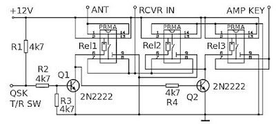
The short theory of relays operation in this circuit is here:
State nr. 1
(QSK T/R is floating)
Re1 - closed
Re2 - open
Re3 - open
In this case ANT port is connected to RCVR input port and AMP KEY port is floating.
State nr. 2
(QSK T/R is grounded)
Re1 - open
Re2 - closed
Re3 - closed
In this case ANT port is disconnected/floating, RCVR input port is grounded and AMP KEY port is grounded too.
According to the theory of operation described above you can make easy and quick test using DMM before you will connect it to your radio and antenna.
1. Apply the 12V DC power to the circuit.
2. Check with DMM that ANT port hot pin is connected to RCVR IN port hot pin and that AMP KEY port hot pin is floating.
3. Using the tweezers or any similar tool short the hot pin of the QSK T/R port to ground.
4. Check that you are able to hear switching clicks of the relays when you are shorting the hot pin of the QSK T/R port to ground. Be very attentive as the chattering of relays is very quiet and fast so it is hard to hear in noisy environment.
5. Check with DMM that in that state the ANT port hot pin is disconnected from the RCVR IN port (refer to point 2.) and it is floating. Then check that RCVR IN port hot pin is grounded. Finally check that AMP KEY port hot pin is grounded too.
Update 18Sep2017
Some of the people asked me how to implementing this FES into the Icom radios setup. So here is the layout example for wiring it together with Icom transceivers. (just quick pencil drawing...)
The "PTT output" port on the drawing means port on your transceiver where hot pin goes to ground while transmitting to control external equipment. In our case the FES. On the Icom radios this port is labeled as "SEND"!
See port 10 marked as SEND. This is your PTT for wiring it with FES.
The "Ext RX ant IN" on the drawing means port dedicated to connect an external receiving antenna to your transceiver. On the Icom radios this port is marked as "RX ANT"! See port 1 marked as RX ANT on the Icom rear panel picture above.
Do not hesitate to ask for details if you need but all is clear from the pictures and circuit is pretty simple. Also let me know if you want to help with PCB or even with PRMA 1A12 relays for building your own FES...
With courtesy permission from Martin, OK1RR
73 - Petr, OK1RP











This comment has been removed by a blog administrator.
ReplyDeleteYes, PCB are still available as same as the PRMA relays.
ReplyDeleteThis comment has been removed by the author.
DeleteNew batch of fast PRMA relays and PCBs arrived. Kits are available again...
ReplyDeleteHi
DeleteCan you please send me details of the kit.
djcleckie@dive-boats.co.uk
73
Dave
GM4NFI
Hi David,
Deletethank you for reply. I have sent the detailed information to your email already. 73 - Petr, OK1RP
Hi Petr. Great to hear a new patch just came in. I am interested in a Kit. Thanks, Matt K3WAZ
ReplyDeleteHi Matt. Thanks for note. I have sent you an email with detailed informations already. 73 Petr OK1RP
ReplyDeletehi Petr,
DeleteCould you send me info abt the kit..??TKS
My email :ik2yra@gmail.com
/3's Carlos
Hi Petr,
ReplyDeletePlease send me the ordering information for the kit. My email address oh6xi@sral.fi
Vy 73 de Ulf
Hi Ulf,
ReplyDeleteTnx. Yes I will send you more details Monday morning as I am out of home until Sunday nite. Best 73 Petr
Hi
ReplyDeleteCan you please send me details of the kit.
sv3ckz@gmail.com
73 Akis SV1CKZ
Dear Akis, details emailed...73 - Petr, OK1RP
DeleteHello:
ReplyDeletePls send ordering info for U.S.A.
Thank you & 73, NN7DJ
nn7dj@engineer.com
Dear Harvey, details emailed...73 - Petr, OK1RP
DeleteHi, Could you please send me information on the kit too? Thank you!
ReplyDeletek2pjw@yahoo.com
Hi, details emailed...73 - Petr, OK1RP
DeleteHi, upon several emails there is short intro for used relays. The PRMA 1A12 relays can not be replaced with any other cheap and slow relays! These relays have around 0.5ms switching/release time and it is the key parameter of this design! Do not try to replace them with standard slow relays without checking their switching time first. Remember that the FES must be fastest in the system to protect your RX...
ReplyDeleteHi Petr,
ReplyDeletePlease send me the ordering information for the kit. My email address gigi.yo7ne@gmail.com
Vy 73 de GG
Info is sent already to email. 73 - Petr, OK1RP
DeleteHi Petr,
ReplyDeletePlease send me the ordering information for the kit. My email is ei2kn@hotmail.com.Best 73 de EI2KN
Hi. Informations are emailed already. Petr, OK1RP
DeleteLast few PCBs available from last batch...
DeletePlease send me the ordering info, if you still have availability.
ReplyDelete- Dan, W2DLC
Hi Dan, information has been sent to your email. Best regards,
ReplyDelete73 - Petr, OK1RP
Hi all,
ReplyDeletesome people asked me by email if it is possible to use the 2N2222A transistors in plastic package instead of the metal one? Yes, it is ok to use them in the plastic package. I prefer the 2N2222A - (A) version with a little bit higher AMR. 73 - Petr, OK1RP
Great Job,
ReplyDeleteCould you Please send me ordering info for the kit as well.
Thanks,
Larry, W4AVZ
hi Larry. All info has been sent you by email. Thanks. Petr
DeleteHi
ReplyDeleteCan you please send me details of the kit.
rayeckel@yahoo.com
Thanks!
Hi peter,
ReplyDeleteI am interested to order the kit. Can you please email me how to proceed?
Thanks
Vk2icw
Vk2icw@gmail.com
Hi, instructions shipped.73 Petr OK1RP
DeleteHi Peter,
ReplyDeleteI am planning to build a front end protector. Can i know the availability of pcbs and relays please?
Thank you & 73
Manoj vu2cpl"at"gmail"dot"com
Hi Manoj, the instructions has been sent to your email. 73 Petr OK1RP
DeleteUpon several emailed questions there I am confirming that there is not necessary to use the 2N2222A in metal TO-18 package! It is possible to use plastic TO-92 package as the most of parameters are same and there is not impact for that application. Most important is to identify the correct pin-out of your device! There is several manufacturers producing several different version like 2N2222A, P2N2222A, PN2222A etc. and the pin-out is NOT the same or standardized! Check carefully your purchased version of transistors and identify the correct pin-out before you will assembly in order to avoid FES malfunction! 73 - Petr, OK1RP
ReplyDeleteHi Peter,
ReplyDeleteI am interested in ordering the front end protector kit. My email address is: hermhalbach@centurylink.net.
73
Herm, KG7WMZ
Instructions sent herm. 73 - Petr, OK1RP
DeleteThank you, Petr, for your excellent service and rapid delivery.
ReplyDelete73
Herm, KG7WMZ
Petr, I'd like to order a kit as well.
ReplyDeleteRegards,
KH6IO
Jeff, please send me an email where I can send you more details about the saver and kit please. 73 - Petr, OK1RP
DeleteJeff, I found some email address to you so I sent you details about the kit. Petr
DeleteHi all, last batch of PRMA 1A12 relays arrived. It is the last batch because these relays are obsolete and no more pieces in supplier's stock available... Let me know if you want the PCB + 3pcs of PRMA relays kit for your own FES. 73 - Petr, OK1RP
ReplyDeleteWill you please send ordering details?
DeleteWill new kits be available with replacement relays?
Tnx,
-Steve
w7wm@arrl.net
Hi all, this user guide above for building your own FES is updated for Icom wiring layout for now. Hope it helps. 73 - Petr, OK1RP
ReplyDeleteI am interested in ordering the front end protector kit. My email address is: ki3ttbob@gmail.com
ReplyDeletethanks
Bob KI3TT
Bob, all info has been emailed already.
DeleteGood day
ReplyDeleteI would like details for ordering your front end saver kit with board and relays if still available
Thank you
Joe
KR0UT
joekrout@yahoo.com
Hello, me too please - advise on ordering kits.
ReplyDeleteCheers Tom - G8PBJ@yahoo.com
This comment has been removed by the author.
ReplyDeletehi Petr,
ReplyDeleteCould you send me info abt the kit..??TKS
My email :ik2yra@gmail.com
/3's Carlos
Hello Petr,
ReplyDeleteKit info please: hdwright@gmail.com
Tnx/73
Hi Petr,
ReplyDeleteI am interested in ordering the front end protector kit.
Please send me the ordering information for the kit.
DE exJO1ABL JAPAN
Hi JO1ABL, let me know email to send info. Petr
DeleteHi Petr,
DeleteI'm sorry to trouble you.
My email :takahashi.masahiko@gmail.com
DE exJO1ABL JAPAN
Greetings Petr, I am interested in purchasing the ft. end saver kit. My e-mail is cableman27@yahoo.com, thanks and 73! KI5AII out.
ReplyDeleteHi Petr, do you still have boards and relays available? TNX es 73 Denis. discotom50@yahoo.co.uk
ReplyDeleteHi Petr, Do you still have the board and relays available?
ReplyDelete73
Clint
W7KEC
kiheiman@q.com
Hi,
ReplyDeletethanks for message regarding FES. Replied already off-list...
Petr
Upon email question... yes, it works with OM3500 amplifier from OM Power. it is keying this amp. w/o any issues. 73 - Petr, OK1RP
ReplyDeleteHi all, few weeks ago I got information from one of the builder that his FES made from parts purchased on eBay and home made PCB does not work as it should and the relay is much slower than it is stated in the datasheet. After several emails exchanged w/o finding the root-cause I sent him my own old relays from the junk and wow... it works properly for now. So be careful as it looks like counterfeit or fake issue in that case from eBay... 73 - Petr, OK1RP
ReplyDeleteHi Petr,
ReplyDeletePlease Can you send me details of kit priciing for UK delivery. Many thanks G4PDF - robert_copeland@btinternet.com
Hello Petr ,
ReplyDeleteCan You please send me info about pricing for the kit( board ) .
I need to put a FES on my ELAD FDM S2 @ remote rx qth where there are also some OM 3500 on the air sometimes .
Tnx and best 73 ,
Jim ON4DS ( former ON5UM ) ON4DS@telenet.be
Hi Petr, do you still have boards and relays. Are they available on eBay?
ReplyDeleteTNX es 73 Kalle.
Cebulon2000@gmx.de
Hi Petr, do you still have boards and relays available? Grateful for ordering information if so.
ReplyDeletedylikethat@gmail.com
Best wishes,
Martyn
M1MCL
Hi Petr,
ReplyDeleteInterested in the board and relays of the saver.
Pse ordering information if applicable.
Best wishes,
Isaac 4Z1TL, tsachyl@gmail.com
Hi Petr,
ReplyDeletePlease could you send me any ordering information for the board and components.
73 from Jon/G4ZMM
G4ZMM.JON@GMAIL.COM
Hi Petr,
ReplyDeleteI would like to purchase your kit....could you please send me the necessary information so I can do so??
Thank you very much! It looks like a great product! Congratulations!
73!
Peter
KD2OMV
pve@ncortho.com
This comment has been removed by a blog administrator.
ReplyDeleteHi Petr.
ReplyDeleteWould you please send information regarding purchase of this kit? Shipping to Texas.
w5zym73@gmail.com
73,
Craig
Hello, Please send ordering details. posprovisions@gmail.com
ReplyDeleteThank you.
Hi Petr,
ReplyDeleteCan you please send me ordering and payment information. I live in New Zealand
Thank you and 73
Graham Wilson
ZL1CE
email: grahamw@xtra.co.nz
This comment has been removed by the author.
ReplyDeleteHi Petr,
ReplyDeletePlease Can you send me details of kit pricing for Montevideo Uruguay delivery. Many thanks
LALO
cx3at@yahoo.com
Hello,
ReplyDeleteCould you please send me details of kit availability and pricing for Poland?
Thank you in advance,
Michał,SP9WOL sp9wol@gmail.com
Michal replied to email already. Thanks.
DeleteHello Peter, Please send details for kit purchase. Thank you
ReplyDeleteFrank K9IC K9IC.ARS@gmail.com
Hi Peter please send me the Kit purchasing info to Rome.
ReplyDelete73, Enzo, IK0AOC
ik0aoc@gmail.com
Hi Peter please send me the Kit purchasing info .
ReplyDelete73, Damian, G1GWH
g1gwhuk@gmail.com
Hi Peter, please send me the Kit purchasing info.
ReplyDeleteEd AD7GR
Hello Peter, please send me the Kit purchasing info too.
ReplyDeletePeter HB9BUN
Hello Peter
ReplyDeleteIs the kit still available.
Thankyou
Hi Peter, please send me the Kit purchasing info.
ReplyDeleteJohn VE3VGI